Mis on vool?
Mis on pinge?
Mida tähendab, kui kahe punkti vahel on pinge 1V?
Mis on voolu, pinge ja takistuse ühik?
Kuidas ühendame skeemi ampermeetri?
Kuidas ühendame skeemi voltmeetri?
Milleks kasutatakse skeemis ampermeetrit?
Milleks kasutatakse skeemis voltmeetrit?
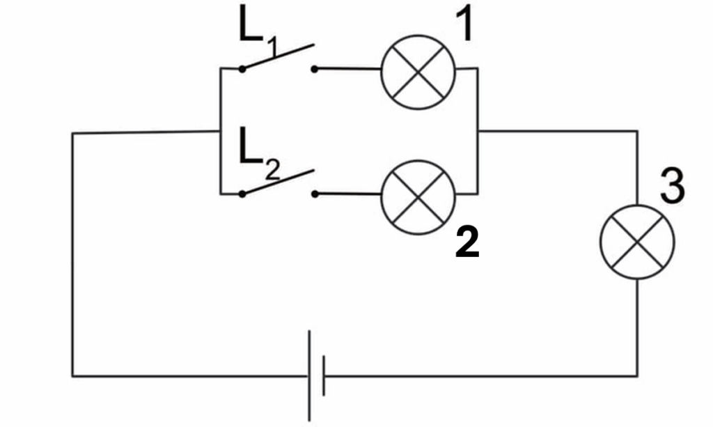
Kasuta skeemi analüüsi küsimuses olevat skeemi ning joonista sellele skeemile kõik kohad kuhu saab panna ampermeetrid ja voltmeetrid.
Skeemil on toiteallikana keemiline vooluallikas. Mille järgi otsustad milline on keemilise vooluallika positiivne klemm ja milline on keemilise vooluallika negatiivne klemm?
Mis osa vooluringis ühendab toiteallika tarbijaga ning miks valisid just selle?
Vooluringi saab kujutada kas avatuna või suletuna. Kummas vooluringis liiguvad laetud osakesed, tekib pinge ja vool? Selgita miks nii vastasid.
Analüüsi toodud elektriskeemi ning kirjuta selle kohta välja kogu info mida on võimalik sellelt skeemilt välja lugeda. (Kontrolltöös on üks skeem)




Tunnis rääkisime erinevatest toiteallikatest. Too näited milline energia võib olla toiteallika sisendiks?
Takistus ja takisti – sama asi või erinevad? Selgita.
Milline on kokkuleppeline voolu liikumise suund vooluringis?
Miks sama toiteallika korral võib erinevates vooluringides vool olla erinev?
Millal vooluringis kaob vool, kuid pinge jääb alles?
Kui vooluring on katkestatud/avatud, siis pinget ei ole?
Miks on patarei klemmide vahel pinge, isegi siis, kui vooluring ei ole ühendatud?
(Kontrolltöös võivad olla teised numbrid)
Juhti läbis 4 minuti jooksul vool.
Juhi pikkus on 2 m.
Juhi ristlõikepindala on 2,5 mm².
Selle aja jooksul liikus läbi juhi 120 C laengut.
Juhi takistus oli 6 Ω.
Elektriväli tegi 360 J tööd.
Toiteallika pinge on 9 V.
Juhiga on ühendatud tarbija võimsusega 25 W.
Antud andmete hulgast vali välja ainult need andmed, mida on vaja ülesande lahendamiseks. Ülejäänud andmed jäta tähelepanuta.
Arvuta antud andmete põhjal vool?
Arvuta antud andmete põhjal pinge?






